Amana Furnace Parts Diagram . Amana Furnace Wiring Diagram » Wiring Diagram Here are two different Amana gas furnace installations showing different approaches to combustion air intake view our How To Find Your Model Number videos and diagrams here
Amana 90 Furnace Wiring Diagram Wiring Diagram from wiringdiagram.2bitboer.com
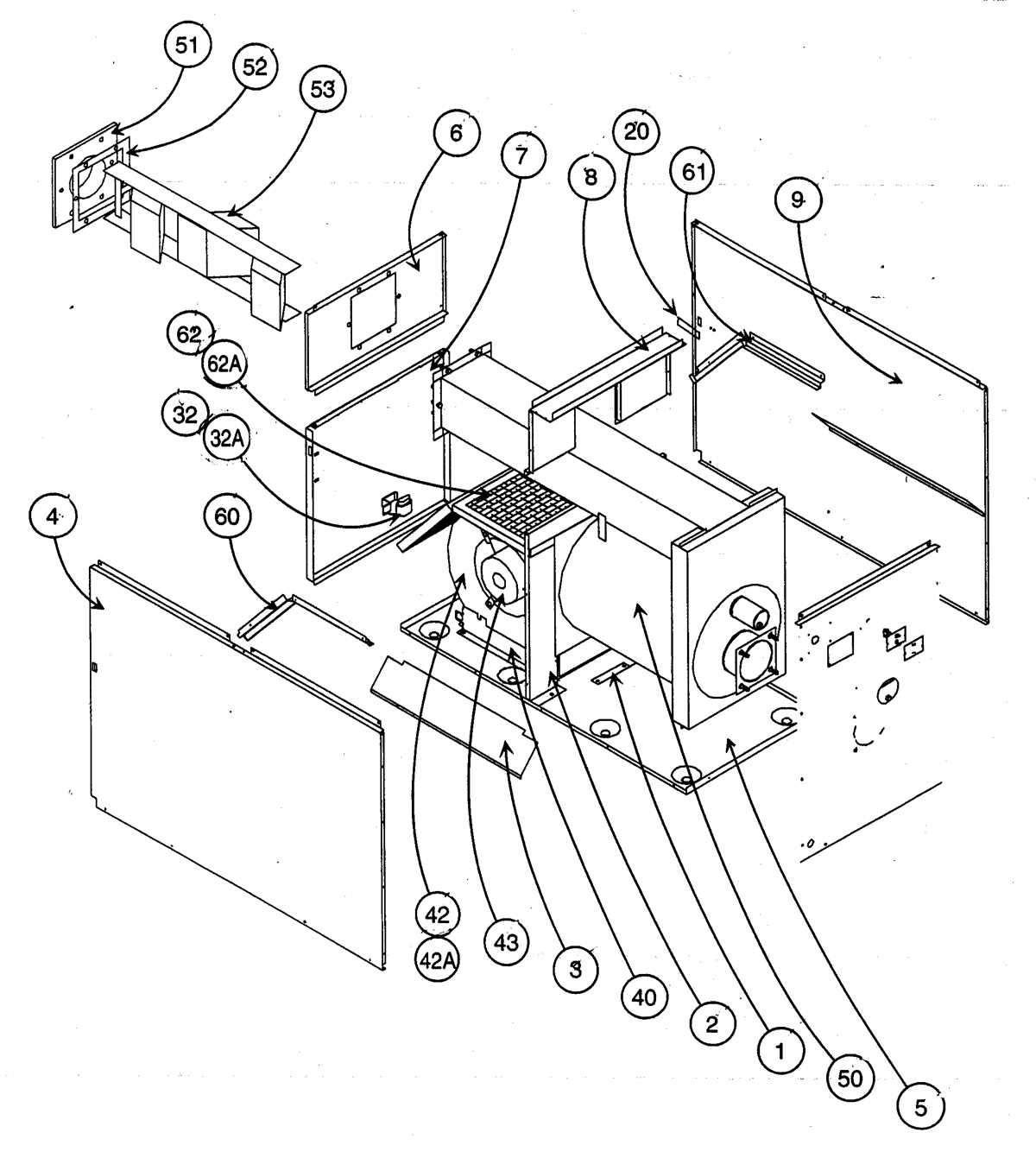
Find Amana Furnace parts using our appliance model lookup system with diagrams Free Amana Appliance, Furnace, Heat Pump, Air Conditioner Installation & Service Manuals, Wiring Diagrams, Parts Lists
Amana 90 Furnace Wiring Diagram Wiring Diagram Our free Furnace DIY manuals and videos make repairs easy and fast Find the right Amana Furnace Model AMVC960603BNBA replacement parts for your repair Help section which gives free troubleshooting advice and step-by-step video instructions for replacing a variety of Amana Furnace parts
Source: gmsangavap.pages.dev Amana Furnace Parts Catalog , Below is our selection of Amana Furnace model numbers. Amana GUC070B30C/P1114302F furnace parts - manufacturer-approved parts for a proper fit every time! We also have installation guides, diagrams and manuals to help you along the way! Can't find your part? Contact us: +1-309-603-4777
Source: empleaszr.pages.dev Amana Gas Furnace Electrical Schematic , Find Amana GUCA070AX30/P1227502F Furnace parts using our appliance model lookup system with diagrams You can also view AMVC960603BNBA parts diagrams and manuals, watch related videos or review common problems that may help answer your questions to get started on fixing your Furnace model.
Source: www.searspartsdirect.com Amana EPHO42001F/P6722340C furnace parts Sears PartsDirect , Above: an Amana condensing gas furnace installed in Minneapolis MN USA. You can also view AMVC960603BNBA parts diagrams and manuals, watch related videos or review common problems that may help answer your questions to get started on fixing your Furnace model.
Source: www.wiringview.com Amana Furnace Wiring Diagram » Wiring Diagram , Above: an Amana condensing gas furnace installed in Minneapolis MN USA. Our free Furnace DIY manuals and videos make repairs easy and fast
Source: www.youtube.com Naming the parts of an Amana ptac unit... YouTube , Help section which gives free troubleshooting advice and step-by-step video instructions for replacing a variety of Amana Furnace parts If our list of models doesn't contain your Amana Furnace model number.
Source: wiringall.com A Complete Guide to Understanding the Amana Furnace Parts Diagram , You can also view AMVC960603BNBA parts diagrams and manuals, watch related videos or review common problems that may help answer your questions to get started on fixing your Furnace model. Find the right Amana Furnace Model AMEC960603BNBA replacement parts for your repair
Source: parts.sears.com AMANA Gas Furnace Blower Parts Model GUID090CA30/P1220604F , Filter results by part category, part title and lawn mower symptoms Find Amana Furnace parts using our appliance model lookup system with diagrams
Source: new2.steprightupmanuals.com Amana Furnace Parts Manual for Model GUIC , You can also view AMVC960603BNBA parts diagrams and manuals, watch related videos or review common problems that may help answer your questions to get started on fixing your Furnace model. Our free Furnace DIY manuals and videos make repairs easy and fast
Source: ochartermzf.pages.dev Amana Air Conditioning Wiring Diagram Basic , Below is our selection of Amana Furnace model numbers. Free Amana Appliance, Furnace, Heat Pump, Air Conditioner Installation & Service Manuals, Wiring Diagrams, Parts Lists
Source: yungloverjo.pages.dev Furnace Parts Amana Gas Furnace Parts , Amana GUC070B30C/P1114302F furnace parts - manufacturer-approved parts for a proper fit every time! We also have installation guides, diagrams and manuals to help you along the way! Can't find your part? Contact us: +1-309-603-4777 Find Amana GUCA070AX30/P1227502F Furnace parts using our appliance model lookup system with diagrams
Source: traincomlod.pages.dev Amana Furnace Blower Wiring Diagram , view our How To Find Your Model Number videos and diagrams here Amana Parts Breakdowns, Wire Diagrams, Tech Manual, Installation Instructions & Trouble Shooting 500+ Pages of information (Download) GCC, GDC, GUC, GUD, GUX Model Numbers Covered GUC045B30A P9898401F GUC070B30A P9898402F GUC070B40A P9898403F GUC090B35A P9898404F GUC090B50A P9898405F GUC115B50A P9898406F GUC045B30
Source: www.justanswer.com How to wire a amana circuit board on a Gas furnace, model GUSA090bx40 , You can also view AMVC960603BNBA parts diagrams and manuals, watch related videos or review common problems that may help answer your questions to get started on fixing your Furnace model. Find the right Amana Furnace Model AMEC960603BNBA replacement parts for your repair
Source: wiringall.com A Complete Guide to Understanding the Amana Furnace Parts Diagram , Find the right Amana Furnace Model AMVC960603BNBA replacement parts for your repair Find Amana GUCA070AX30/P1227502F Furnace parts using our appliance model lookup system with diagrams
Source: www.justanswer.com Expert Solutions for Amana Furnace Issues Diagrams, Error Codes, and , Above: an Amana condensing gas furnace installed in Minneapolis MN USA. Here are the diagrams and repair parts for Official Amana EPCO48001F/P6865813C package unit with auxiliary heater - epco series, as well as links to manuals and.
Source: avalyootvi.pages.dev Amana Gas Furnace Wiring Schematics , Above: an Amana condensing gas furnace installed in Minneapolis MN USA. Find Amana Furnace parts using our appliance model lookup system with diagrams
A Complete Guide to Understanding the Amana Furnace Parts Diagram . Above: an Amana condensing gas furnace installed in Minneapolis MN USA. Here are two different Amana gas furnace installations showing different approaches to combustion air intake
Furnace Parts Amana Gas Furnace Parts . view our How To Find Your Model Number videos and diagrams here Help section which gives free troubleshooting advice and step-by-step video instructions for replacing a variety of Amana Furnace parts